
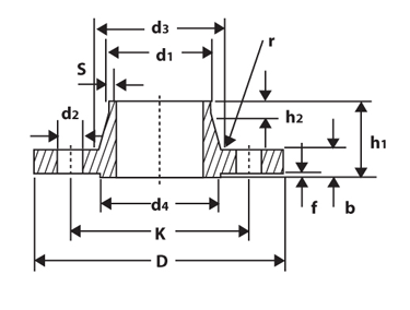
Product Information
| DIN 2636 PN 64 (in mm) | ||||||||||||||
| Nominal Pipe Size | Diameter at weld Bevel | Flange Dia | Thk of Flange | Dia of Bolt Circle | Length Through Hub | Dia of Hub | Wall Thk | Radius of Hub | Straight Portion | Dia of R/F | Thk of R/F | No. of | Dia of Bolt Holes | |
| DN | D1 | D | B | K | H1 | D3 | S | R | H2 | D4 | F | holes | D2 | KG |
| 10 | 17.2 | 100 | 20 | 70 | 45 | 32 | 1.8 | 4 | 6 | 40 | 2 | 4 | 14 | 1.08 |
| 15 | 21.3 | 105 | 20 | 75 | 45 | 34 | 2.0 | 4 | 6 | 45 | 2 | 4 | 14 | 1.19 |
| 25 | 33.7 | 140 | 24 | 100 | 58 | 52 | 2.6 | 4 | 8 | 68 | 2 | 4 | 18 | 2.60 |
| 40 | 48.3 | 170 | 26 | 125 | 62 | 70 | 2.9 | 6 | 10 | 88 | 3 | 4 | 22 | 3.99 |
| 50 | 60.3 | 180 | 26 | 135 | 62 | 82 | 2.9 | 6 | 10 | 102 | 3 | 4 | 22 | 4.42 |
| 65 | 76.1 | 205 | 26 | 160 | 66 | 98 | 3.2 | 6 | 12 | 122 | 3 | 8 | 22 | 5.49 |
| 80 | 88.9 | 215 | 28 | 170 | 72 | 112 | 3.6 | 8 | 12 | 138 | 3 | 8 | 22 | 6.50 |
| 100 | 114.3 | 250 | 30 | 200 | 76 | 138 | 4.0 | 8 | 12 | 162 | 3 | 8 | 26 | 9.06 |
| 125 | 139.7 | 295 | 34 | 240 | 88 | 168 | 4.5 | 8 | 12 | 188 | 3 | 8 | 30 | 14.23 |
| 150 | 168.3 | 345 | 36 | 280 | 95 | 202 | 5.6 | 10 | 12 | 218 | 3 | 8 | 33 | 20.92 |
| 175 | 193.7 | 375 | 40 | 310 | 105 | 228 | 6.3 | 10 | 16 | 260 | 3 | 12 | 33 | 26.28 |
| 200 | 219.1 | 415 | 42 | 345 | 110 | 256 | 7.1 | 10 | 16 | 285 | 3 | 12 | 36 | 33.56 |
| 250 | 273.0 | 470 | 46 | 400 | 125 | 316 | 8.8 | 12 | 18 | 345 | 3 | 12 | 36 | 47.32 |
| 300 | 323.9 | 530 | 52 | 460 | 140 | 372 | 11.0 | 12 | 18 | 410 | 4 | 16 | 36 | 66.44 |
| 350 | 355.6 | 600 | 56 | 525 | 150 | 420 | 12.5 | 12 | 20 | 465 | 4 | 16 | 39 | 96.23 |
| 400 | 406.4 | 670 | 60 | 585 | 160 | 475 | 14.2 | 12 | 20 | 535 | 4 | 16 | 42 | 127.70 |