
Product Information
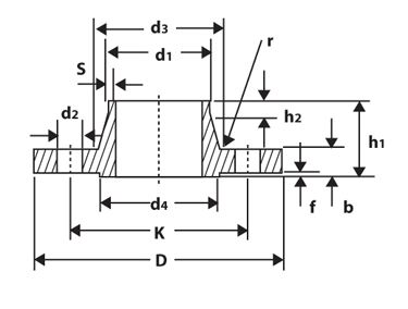
| DIN 2633 PN16 (in mm) | ||||||||||||||
| Nominal Pipe Size | Diameter at weld Bevel | Flange Dia | Thk of Flange | Dia of Bolt Circle | Length Through Hub | Dia of Hub | Wall Thk | Radius of Hub | Straight Portion | Dia of R/F | Thk of R/F | No. of | Dia of Bolt Holes | |
| DN | D1 | D | B | K | H1 | D3 | S | R | H2 | D4 | F | holes | D2 | KG |
| 10 | 17.2 | 90 | 14 | 60 | 35 | 28 | 1.8 | 4 | 6 | 40 | 2 | 4 | 14 | 0.58 |
| 15 | 21.3 | 95 | 14 | 65 | 35 | 32 | 2.0 | 4 | 6 | 45 | 2 | 4 | 14 | 0.65 |
| 20 | 26.9 | 105 | 16 | 75 | 38 | 40 | 2.3 | 4 | 6 | 58 | 2 | 4 | 14 | 0.95 |
| 25 | 33.7 | 115 | 16 | 85 | 38 | 45 | 2.6 | 4 | 6 | 68 | 2 | 4 | 14 | 1.14 |
| 32 | 42.4 | 140 | 16 | 100 | 40 | 56 | 2.6 | 6 | 6 | 78 | 2 | 4 | 18 | 1.65 |
| 40 | 48.3 | 150 | 16 | 110 | 42 | 64 | 2.6 | 6 | 7 | 88 | 3 | 4 | 18 | 1.83 |
| 50 | 60.3 | 165 | 18 | 125 | 45 | 75 | 2.9 | 6 | 8 | 102 | 3 | 4 | 18 | 2.48 |
| 65 | 76.1 | 185 | 18 | 145 | 45 | 90 | 2.9 | 6 | 10 | 122 | 3 | 4 | 18 | 3.03 |
| 80 | 88.9 | 200 | 20 | 160 | 50 | 105 | 3.2 | 8 | 10 | 138 | 3 | 8 | 18 | 3.82 |
| 100 | 114.3 | 220 | 20 | 180 | 52 | 131 | 3.6 | 8 | 12 | 158 | 3 | 8 | 18 | 4.41 |
| 125 | 139.7 | 250 | 22 | 210 | 55 | 156 | 4.0 | 8 | 12 | 188 | 3 | 8 | 18 | 6.07 |
| 150 | 168.3 | 285 | 22 | 240 | 55 | 184 | 4.5 | 10 | 12 | 212 | 3 | 8 | 22 | 7.40 |
| 175 | 193.7 | 315 | 24 | 270 | 60 | 210 | 5.4 | 10 | 12 | 242 | 3 | 8 | 22 | 9.86 |
| 200 | 219.1 | 340 | 24 | 295 | 62 | 235 | 5.9 | 10 | 16 | 268 | 3 | 12 | 22 | 10.85 |
| 250 | 273.0 | 405 | 26 | 355 | 70 | 292 | 6.3 | 12 | 16 | 320 | 3 | 12 | 26 | 15.87 |
| 300 | 323.9 | 460 | 28 | 410 | 78 | 344 | 7.1 | 12 | 16 | 378 | 4 | 12 | 26 | 21.24 |
| 350 | 355.6 | 520 | 30 | 470 | 82 | 390 | 8.0 | 12 | 16 | 438 | 4 | 16 | 26 | 31.38 |
| 400 | 406.4 | 580 | 32 | 525 | 85 | 445 | 8.0 | 12 | 16 | 490 | 4 | 16 | 30 | 39.30 |
| 500 | 508.0 | 715 | 34 | 650 | 90 | 548 | 8.0 | 12 | 16 | 610 | 4 | 20 | 33 | 59.63 |
| 600 | 610.0 | 840 | 36 | 770 | 95 | 652 | 8.8 | 12 | 18 | 725 | 5 | 20 | 36 | 82.54 |
| 700 | 711.0 | 910 | 36 | 840 | 100 | 755 | 8.8 | 12 | 18 | 795 | 5 | 24 | 36 | 83.90 |
| 800 | 813.0 | 1025 | 38 | 950 | 105 | 855 | 10.0 | 12 | 20 | 900 | 5 | 24 | 39 | 107.30 |
| 900 | 914.0 | 1125 | 40 | 1050 | 110 | 955 | 10.0 | 12 | 20 | 1000 | 5 | 28 | 39 | 124.97 |
| 1000 | 1016.0 | 1255 | 42 | 1170 | 120 | 1058 | 10.0 | 16 | 22 | 1115 | 5 | 28 | 42 | 163.76 |
| 1200 | 1220.0 | 1485 | 48 | 1390 | 130 | 1262 | 12.5 | 16 | 30 | 1330 | 5 | 32 | 48 | 244.15 |
| 1400 | 1420.0 | 1685 | 52 | 1590 | 145 | 1465 | 14.2 | 16 | 30 | 1530 | 5 | 36 | 48 | 320.87 |
| 1600 | 1620.0 | 1930 | 58 | 1820 | 160 | 1668 | 16.0 | 16 | 35 | 1750 | 5 | 40 | 56 | 465.83 |
| 1800 | 1820.0 | 2130 | 62 | 2020 | 170 | 1870 | 17.5 | 16 | 35 | 1950 | 5 | 44 | 56 | 570.52 |
| 2000 | 2020.0 | 2345 | 66 | 2230 | 180 | 2072 | 20.0 | 16 | 40 | 2150 | 5 | 48 | 62 | 706.74 |