
Product Information
| DIN 2630 P N 2.5 (in mm) | ||||||||||||||
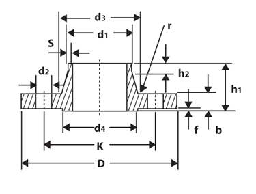
| Nominal Pipe Size | Diameter at weld Bevel | Flange Dia | Thk of Flange | Dia of Bolt Circle | Length Through Hub | Dia of Hub | Wall Thk | Radius of Hub | Straight Portion | Dia of R/F | Thk of R/F | No. of | Dia of Bolt Holes | |
| DN | D1 | D | B | K | H1 | D3 | S | R | H2 | D4 | F | holes | D2 | KG |
| 10 | 17.20 | 75 | 12 | 50 | 28 | 26 | 1.8 | 4 | 6 | 35 | 2 | 4 | 11 | 0.34 |
| 15 | 21.30 | 80 | 12 | 55 | 30 | 30 | 2 | 4 | 6 | 40 | 2 | 4 | 11 | 0.46 |
| 20 | 26.90 | 90 | 14 | 65 | 32 | 38 | 2.3 | 4 | 6 | 50 | 2 | 4 | 11 | 0.60 |
| 25 | 33.70 | 100 | 14 | 75 | 35 | 42 | 2.6 | 4 | 6 | 60 | 2 | 4 | 11 | 0.78 |
| 32 | 42.40 | 120 | 14 | 90 | 35 | 55 | 2.6 | 6 | 6 | 70 | 2 | 4 | 14 | 1.06 |
| 40 | 48.30 | 130 | 14 | 100 | 38 | 62 | 2.6 | 6 | 7 | 80 | 3 | 4 | 14 | 1.20 |
| 50 | 60.30 | 140 | 14 | 110 | 38 | 74 | 2.9 | 6 | 8 | 90 | 3 | 4 | 14 | 1.36 |
| 65 | 76.10 | 160 | 14 | 130 | 38 | 88 | 2.9 | 6 | 9 | 110 | 3 | 4 | 14 | 1.60 |
| 80 | 88.90 | 190 | 16 | 150 | 42 | 102 | 3.2 | 8 | 10 | 128 | 3 | 4 | 18 | 2.72 |
| 100 | 114.30 | 210 | 16 | 170 | 45 | 130 | 3.6 | 8 | 10 | 148 | 3 | 4 | 18 | 3.22 |
| 125 | 139.70 | 240 | 18 | 200 | 48 | 155 | 4 | 8 | 10 | 178 | 3 | 8 | 18 | 4.42 |
| 150 | 168.3 | 265 | 18 | 225 | 48 | 184 | 4.5 | 10 | 12 | 202 | 3 | 8 | 18 | 5.04 |
| 200 | 219.10 | 320 | 20 | 280 | 55 | 236 | 5.9 | 10 | 15 | 258 | 3 | 8 | 18 | 7.95 |
| 250 | 273.00 | 375 | 22 | 335 | 60 | 290 | 6.3 | 12 | 16 | 312 | 3 | 12 | 18 | 10.57 |
| 300 | 323.90 | 440 | 22 | 395 | 62 | 342 | 7.1 | 12 | 15 | 365 | 4 | 12 | 22 | 14.26 |
| 350 | 355.60 | 490 | 22 | 445 | 62 | 385 | 7.1 | 12 | 15 | 415 | 4 | 12 | 22 | 18.56 |
| 400 | 406.40 | 540 | 22 | 495 | 65 | 438 | 7.1 | 12 | 15 | 465 | 4 | 16 | 22 | 21.25 |
| 500 | 506.00 | 645 | 24 | 600 | 68 | 538 | 7.1 | 12 | 15 | 570 | 4 | 20 | 22 | 23.57 |
| 600 | 610.00 | 755 | 24 | 705 | 70 | 640 | 7.1 | 12 | 16 | 670 | 5 | 20 | 26 | 34.50 |
| 700 | 711.00 | 660 | 24 | 810 | 70 | 740 | 7.1 | 12 | 16 | 775 | 5 | 24 | 26 | 40.00 |
| 800 | 813.00 | 975 | 24 | 920 | 70 | 842 | 7.1 | 12 | 16 | 880 | 5 | 24 | 30 | 48.18 |
| 900 | 914.00 | 1075 | 26 | 1020 | 70 | 942 | 7.1 | 12 | 16 | 980 | 5 | 24 | 30 | 58.10 |
| 1000 | 1016.00 | 1175 | 26 | 1120 | 70 | 1045 | 7.1 | 16 | 16 | 1080 | 5 | 25 | 30 | 63.41 |
| 1200 | 1220.00 | 1375 | 26 | 1320 | 70 | 1245 | 7 | 16 | 16 | 1280 | 5 | 32 | 30 | 72.82 |
| 1400 | 1420.00 | 1575 | 26 | 1520 | 70 | 1445 | 7 | 16 | 16 | 1480 | 5 | 36 | 30 | 84.50 |
| 1600 | 1620.00 | 1790 | 26 | 1730 | 80 | 1645 | 8 | 16 | 20 | 1680 | 5 | 40 | 30 | 111.57 |
| 1800 | 1820.00 | 1990 | 26 | 1930 | 80 | 1845 | 9 | 16 | 20 | 1890 | 5 | 44 | 30 | 128.41 |
| 2000 | 2020.00 | 2190 | 26 | 2130 | 80 | 2045 | 10 | 18 | 22 | 2090 | 5 | 48 | 30 | 145.00 |
| 2200 | 2220.00 | 2405 | 28 | 2340 | 90 | 2248 | 10 | 18 | 25 | 2295 | 6 | 52 | 33 | 184.10 |
| 2400 | 2420.00 | 2605 | 28 | 2540 | 90 | 2448 | 10 | 18 | 25 | 2495 | 6 | 56 | 32 | 200.47 |
| 2600 | 2620.00 | 2805 | 28 | 2740 | 90 | 2648 | 10 | 18 | 25 | 2695 | 6 | 60 | 33 | 216.00 |
| 2800 | 2820.00 | 3030 | 30 | 2960 | 90 | 2848 | 10 | 18 | 25 | 2910 | 6 | 64 | 36 | 268.05 |
| 3000 | 3020.00 | 3230 | 30 | 3160 | 90 | 3050 | 10 | 18 | 25 | 3110 | 6 | 66 | 36 | 285.00 |
| 3200 | 3220.00 | 3430 | 30 | 3350 | 90 | 3250 | 10 | 20 | 25 | 3310 | 6 | 72 | 36 | 306.75 |
| 3400 | 3420.00 | 3630 | 32 | 3560 | 95 | 3450 | 10 | 20 | 28 | 3510 | 6 | 76 | 36 | 346.71 |
| 3600 | 3620.00 | 3340 | 32 | 3770 | 100 | 3652 | 10 | 20 | 28 | 3720 | 6 | 80 | 36 | 305.71 |
| 3800 | 3820.00 | 4045 | 34 | 3970 | 100 | 3852 | 10 | 20 | 28 | 3920 | 6 | 80 | – | – |
| 4000 | 4020.00 | 4245 | 34 | 4170 | 100 | 4052 | 10 | 20 | 28 | 4120 | 6 | 84 | – | – |