
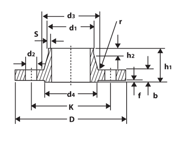
Product Information
| DIN 2627 PN 400 (in mm) | ||||||||||||||
| Nominal Pipe Size | Diameter at weld Bevel | Flange Dia | Thk of Flange | Dia of Bolt Circle | Length Through Hub | Dia of Hub | Wall Thk | Radius of Hub | Straight Portion | Dia of R/F | Thk of R/F | No. of | Dia of Bolt Holes | |
| DN | D1 | D | B | K | H1 | D3 | S | R | H2 | D4 | F | holes | D2 | KG |
| 10 | 17.20 | 125 | 28 | 85 | 65 | 48 | 3.60 | 4 | 8 | 40 | 2 | 4 | 18 | 2.50 |
| 15 | 26.90 | 145 | 30 | 100 | 68 | 56 | 5.00 | 4 | 8 | 45 | 2 | 4 | 22 | 3.57 |
| 25 | 42.40 | 180 | 38 | 130 | 90 | 82 | 7.10 | 4 | 10 | 68 | 2 | 4 | 26 | 7.35 |
| 40 | 60.30 | 220 | 48 | 165 | 110 | 106 | 10.00 | 6 | 12 | 88 | 3 | 4 | 30 | 13.93 |
| 50 | 76.10 | 235 | 52 | 180 | 120 | 120 | 12.50 | 6 | 15 | 102 | 3 | 8 | 30 | 16.50 |
| 65 | 101.60 | 290 | 64 | 225 | 135 | 158 | 16.00 | 6 | 18 | 122 | 3 | 8 | 33 | 31.33 |
| 80 | 114.30 | 305 | 68 | 240 | 150 | 174 | 17.50 | 8 | 20 | 138 | 3 | 8 | 33 | 37.99 |
| 100 | 139.70 | 370 | 80 | 295 | 175 | 215 | 22.20 | 8 | 25 | 162 | 3 | 8 | 39 | 66.77 |
| 125 | 193.70 | 415 | 92 | 340 | 200 | 258 | 30.00 | 8 | 30 | 188 | 3 | 12 | 39 | 94.73 |
| 150 | 219.10 | 475 | 105 | 390 | 225 | 302 | 35.00 | 10 | 35 | 218 | 3 | 12 | 42 | 144.85 |
| 200 | 273.00 | 585 | 130 | 490 | 280 | 388 | 40.00 | 10 | 40 | 285 | 3 | 16 | 48 | 269.50 |