
Product Information
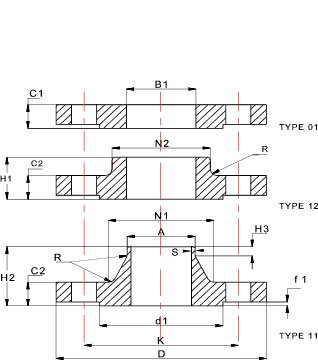
| BS EN 1092-1:2002 PN 40 DIMENSIONS (in mm) | ||||||||||||||||||
| Nominal Pipe Size | Flange Dia | Thk of Flanges | Length Through Hub | Straight Portion of Neck | Radius | Diameter at weld Bevel | Dia of Hub | Bore of S/O | Dia of R/F | Thk of RFD | Thk of Neck | Dia of Bolt Circle | Dia of Bolt Hole | No. of Holes | Size of Bolt | |||
| DN | D | C1 | C2 | H1 | H2 | H3 | R | A | N1 | N2 | B1 | d1 | f1 | S | K | L | No | Size |
| 10 | 90 | 14 | 14 | 20 | 35 | 6 | 4 | 17.2 | 28 | 30 | 18.0 | 40 | 2 | 1.8 | 60 | 14 | 4 | M12 |
| 15 | 95 | 14 | 14 | 20 | 35 | 6 | 4 | 21.3 | 32 | 35 | 22.0 | 45 | 2 | 2.0 | 65 | 14 | 4 | M12 |
| 20 | 105 | 14 | 14 | 24 | 38 | 6 | 4 | 26.9 | 39 | 45 | 27.5 | 58 | 2 | 2.3 | 75 | 14 | 4 | M12 |
| 25 | 115 | 16 | 16 | 24 | 38 | 6 | 4 | 33.7 | 46 | 52 | 34.5 | 68 | 2 | 2.6 | 85 | 14 | 4 | M12 |
| 32 | 140 | 18 | 16 | 26 | 40 | 6 | 6 | 42.4 | 56 | 60 | 43.5 | 78 | 2 | 2.6 | 100 | 18 | 4 | M16 |
| 40 | 150 | 18 | 16 | 26 | 42 | 7 | 6 | 48.3 | 64 | 70 | 49.5 | 88 | 2 | 2.6 | 110 | 18 | 4 | M16 |
| 50 | 165 | 20 | 20 | 34 | 48 | 8 | 6 | 60.3 | 75 | 84 | 61.5 | 102 | 2 | 2.9 | 125 | 18 | 4 | M16 |
| 65 | 185 | 22 | 22 | 38 | 52 | 10 | 6 | 76.1 | 90 | 104 | 77.5 | 122 | 2 | 2.9 | 145 | 18 | 8 | M16 |
| 80 | 200 | 24 | 24 | 40 | 58 | 12 | 8 | 88.9 | 105 | 118 | 90.5 | 138 | 2 | 3.2 | 160 | 18 | 8 | M16 |
| 100 | 235 | 26 | 24 | 44 | 65 | 12 | 8 | 114.3 | 134 | 145 | 116.0 | 162 | 2 | 3.6 | 190 | 22 | 8 | M20 |
| 125 | 270 | 28 | 26 | 48 | 68 | 12 | 10 | 139.7 | 162 | 170 | 141.5 | 188 | 2 | 4.2 | 220 | 26 | 8 | M24 |
| 150 | 300 | 30 | 28 | 52 | 75 | 12 | 10 | 168.3 | 192 | 200 | 170.5 | 218 | 2 | 4.5 | 250 | 26 | 8 | M24 |
| 200 | 375 | 36 | 34 | 52 | 88 | 16 | 10 | 219.1 | 244 | 260 | 221.5 | 285 | 2 | 6.3 | 320 | 30 | 12 | M27 |
| 250 | 450 | 42 | 38 | 60 | 105 | 18 | 12 | 273.0 | 306 | 312 | 276.5 | 345 | 2 | 7.1 | 385 | 33 | 12 | M30 |
| 300 | 515 | 48 | 42 | 67 | 115 | 18 | 12 | 323.9 | 362 | 380 | 327.5 | 410 | 2 | 8.0 | 450 | 33 | 16 | M30 |
| 350 | 580 | 54 | 46 | 72 | 125 | 20 | 12 | 355.6 | 408 | 424 | 359.5 | 465 | 2 | 8.8 | 510 | 36 | 16 | M33 |
| 400 | 660 | 60 | 50 | 78 | 135 | 20 | 12 | 406.4 | 462 | 478 | 411.0 | 535 | 2 | 11.0 | 585 | 39 | 16 | M36 |
| 450 | 685 | 66 | 57 | 84 | 135 | 20 | 12 | 457.0 | 500 | 522 | 462.0 | 560 | 2 | 12.5 | 610 | 39 | 20 | M36 |
| 500 | 755 | 72 | 57 | 90 | 140 | 20 | 12 | 508.0 | 562 | 576 | 513.5 | 615 | 2 | 14.2 | 670 | 42 | 20 | M39 |
| 600 | 890 | 84 | 72 | 100 | 150 | 20 | 12 | 610.0 | 666 | 686 | 616.5 | 735 | 2 | 16.0 | 795 | 48 | 20 | M45 |